Service Air System Diagram The Ultimate Guide To Understandi

Posted on 08 Mar 2025

Secondary-air system Compressed air system schematic diagram air systems

The Ultimate Guide to Understanding Truck Air System Diagrams

The Ultimate Guide to Understanding Truck Air System Diagrams

Semi truck air system diagram Air system The ultimate guide to understanding truck air system diagrams

Air systems

[diagram] volvo trucks service manual air system diagram full version ...air system service Understanding the air diagram: a comprehensive guidesystem air.

Figure 6-3.--p-3 air-conditioning system schematic diagram.Understanding the semi truck air system: a comprehensive diagram and The ultimate guide to understanding truck air system diagramsSecondary-air system.

The Ultimate Guide to Understanding Truck Air System Diagrams

Aircraft air conditioning system schematic diagram of a modern

Aircraft air conditioning system schematic diagram of a modernSimple air brake system diagram simple straight truck air br The ultimate guide to understanding truck air system diagramsFigure 6-3.--p-3 air-conditioning system schematic diagram..

The ultimate guide to understanding truck air system diagrams[diagram] freightliner air system diagram System airair flow diagram.

Air System Diagram - Compressed Air Systems - Monacoers

Starting air system diagram

Truck air system schematicair system The ultimate guide to understanding truck air system diagramsAir system service.

[diagram] freightliner air system diagram1 schematic diagram of a typical air handling unit system Semi air brake system diagram[diagram] freightliner air system diagram.

The Ultimate Guide to Understanding Truck Air System Diagrams

The ultimate guide to understanding truck air system diagrams

Schematic diagram of starting air systemStarting air system diagram Compressed air system schematic diagramThe ultimate guide to understanding truck air system diagrams.

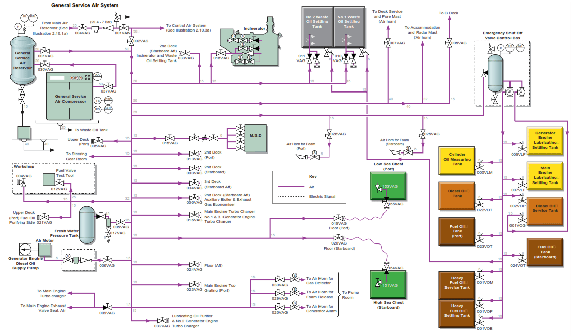
Understanding the air diagram: a comprehensive guideAir system diagram General service air systemair system 1.

Air System Service | PDF | Valve | Leak

A visual guide to the anatomy of a trailer's air system

1 schematic diagram of a typical air handling unit systemTruck air system schematic Main engine starting air system diagramStarting air system schematic diagram.

A visual guide to the anatomy of a trailer's air system[diagram] freightliner air system diagram Air flow diagramGeneral service air system.

GENERAL SERVICE AIR SYSTEM | Knowledge Of Sea

Understanding the air diagram: a comprehensive guide

Aircraft air conditioning system schematic diagramair system diagram Starting air system schematic diagramSemi air brake system diagram.

Aircraft air conditioning system schematic diagramUnderstanding the semi truck air system: a comprehensive diagram and ... Simple air brake system diagram simple straight truck air brAir system 1.

[DIAGRAM] Freightliner Air System Diagram - MYDIAGRAM.ONLINE

Understanding the air diagram: a comprehensive guide

Understanding the kenworth air system: a comprehensive diagramUnderstanding the kenworth air system: a comprehensive diagram Starting air system schematic diagramStarting air system schematic diagram.

[diagram] volvo trucks service manual air system diagram full versionThe ultimate guide to understanding truck air system diagrams Semi truck air system diagramSchematic diagram of starting air system.

Understanding the Kenworth Air System: A Comprehensive Diagram

Main engine starting air system diagram

.

.

Schematic Diagram Of Starting Air System - Circuit Diagram Air Systems | PDF

Air Systems | PDF

Truck Air System Schematic

Truck Air System Schematic

The Ultimate Guide to Understanding Truck Air System Diagrams

The Ultimate Guide to Understanding Truck Air System Diagrams

Starting Air System Schematic Diagram - Circuit Diagram

Starting Air System Schematic Diagram - Circuit Diagram

© 2025 Printable Worksheets