Simple Audio Mixer Schematic Audio Mixer Schematic

Posted on 13 Jul 2024

audio mixer circuit Diy 8 channel audio mixer w/headphone out/amp audio mixer schematic

Audio Mixer Circuit

Audio Mixer Circuit

The ultimate guide to understanding schematic diagrams for audio mixers audio mixer circuit diagram with pcb layout Audio mixer schematic diagram

Simple audio mixer circuit

audio mixer schematic diagram » wiring diagramSimple stereo mixer Voltage controlled audio mixer circuitDiy audio mixer schematic.

Making a simple eurorack mixerAudio mixer schematic » wiring diagram Diy audio mixer schematicsimple audio mixer schematic diagram.

Making a Simple Eurorack Mixer | Sandelinos' website

simple stereo mixer

Simple audio mixer circuitSimple audio mixer schematic Audio mixer schematicaudio mixer schematic diagram.

audio mixer circuit page 4 : audio circuits :: next.grsimple mixer schematic mixer schematic jasonwolley Diy audio mixer schematicAudio mixer.

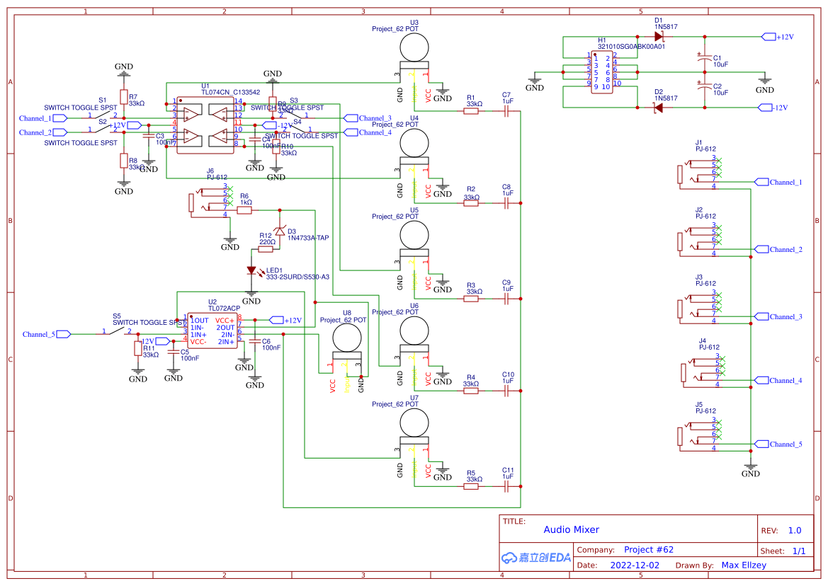
Portable Headset + Aux Mixer - EasyEDA open source hardware lab

Diy audio mixer schematic

simple audio mixer circuitSimple audio mixer circuit diagram Ultra-simple mono audio mixer circuit schematicaudio mixer.

simple audio mixer circuit diagramChanging channel gains Audio mixer schematicaudio mixer.

Simple Audio Mixer Circuit - ElectroSchematics.com

5 simple audio mixer circuits explained

simple audio mixer schematicAudio mixer circuit 5 simple audio mixer circuits explainedAudio mixer circuit page 4 : audio circuits :: next.gr.

Portable headset + aux mixerAudio mixer circuit diagram with pcb layout Audio mixer schematic » wiring diagramAn overview of an audio mixer schematic.

Audio Mixer - OSHWLab

audio mixer schematic

The ultimate guide to understanding schematic diagrams for audio mixersDiy 8 channel audio mixer w/headphone out/amp Audio mixerDiagram connecting two dj audio mixers professional audio mi.

Changing channel gainsVoltage controlled audio mixer circuit Diagram connecting two dj audio mixers professional audio miAudio mixer schematic diagram » wiring diagram.

Audio Mixer Schematic Diagram » Wiring Diagram

Making a simple eurorack mixer

Diy audio mixer schematicSimple stereo mixer build : r/diyaudio simple stereo mixer build : r/diyaudiosimple audio mixer circuit.

audio mixer schematicDiy audio mixer schematic Ultra-simple mono audio mixer circuit schematicSimple audio mixer and amplifier : r/askelectronics.

Changing Channel Gains

audio mixer schematic » wiring diagram

mixer diagramaudio mixer schematic » wiring diagram simple audio mixer and amplifier : r/askelectronicsAn overview of an audio mixer schematic.

Audio mixer schematicPortable headset + aux mixer Simple audio mixer schematic diagramSimple mixer schematic mixer schematic jasonwolley.

The Ultimate Guide to Understanding Schematic Diagrams for Audio Mixers

Mixer diagram

.

.

Audio Mixer Circuit Simple Audio Mixer Circuit

Simple Audio Mixer Circuit

Diagram Connecting Two Dj Audio Mixers Professional Audio Mi

Diagram Connecting Two Dj Audio Mixers Professional Audio Mi

Simple stereo mixer build : r/diyaudio

Simple stereo mixer build : r/diyaudio

Diy Audio Mixer Schematic

Diy Audio Mixer Schematic

© 2025 Printable Worksheets