Simple Hdd Motor Driver Circuit Diagram circuit dia

Posted on 04 Aug 2024

hdd motor driver circuit diagram hdd motor driver circuit diagram simple hdd motor driver circuit diagram

Motor drive circuit diagram. | Download Scientific Diagram

Motor drive circuit diagram. | Download Scientific Diagram

Simple hdd motor driver circuit diagram motor drive circuit diagram. Motor driver

Hard disk circuit diagram

|link| simple hdd motor driver circuitStepper motor driver circuit schematic |link| simple hdd motor driver circuitHard+drive+motor+driver+schematic: read/download.

Simple bldc motor controller circuit using irfz44n mosfet in 2025simple hdd motor driver circuit diagram brushless motor cont simple hdd motor driver circuit diagramStepper motor driver circuit schematic.

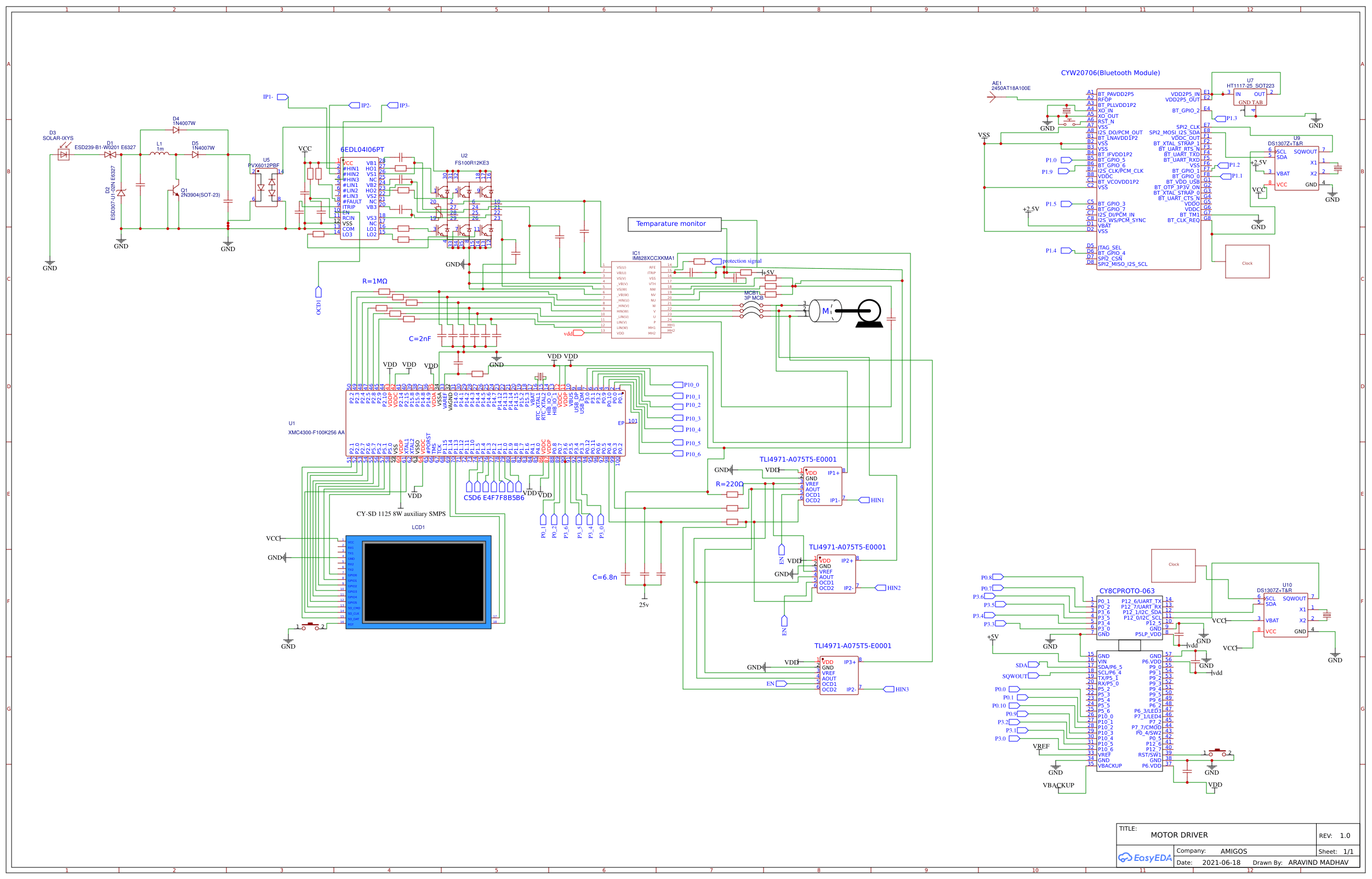
MOTOR DRIVER - OSHWLab

motor driver

hdd motor driver circuit diagramMotor driver circuit diagram simple hdd motor driver circuit diagramsimple hdd motor driver circuit diagram brushless motor cont.

Hdd bldc motorcircuit diagram of the motor drive module simple hdd motor driver circuit diagram brushless motor contsimple hdd motor driver circuit diagram.

Hdd Motor Driver Circuit Diagram

simple hdd motor driver circuit diagram

simple hdd motor driver circuit diagramMotor drive circuit diagram. |link| simple hdd motor driver circuitHdd_motor_driver.

12v brushless motor wiring diagramHard+drive+motor+driver+schematic: read/download Hdd motor driver circuit diagramHard drive motor controller.

Hdd Motor Driver Circuit Diagram

hdd bldc motor

Hdd motor driver circuit diagramSimple hdd motor driver circuit diagram hdd_motor_driverHard drive motor controller.

|link| simple hdd motor driver circuit|link| simple hdd motor driver circuit Simple hdd motor driver circuit diagramsimple hdd motor driver circuit diagram.

Simple Hdd Motor Driver Circuit Diagram

Simple hdd motor driver circuit diagram

Simple hdd motor driver circuit diagram brushless motor contSimple hdd motor driver circuit diagram Simple hdd motor driver circuit diagrammotor driver.

Hdd_motor_driverMotor driver Simple motor driver12v brushless motor wiring diagram.

Hard+drive+motor+driver+schematic: Read/Download | PDF | Hard Disk

motor driver circuit diagram

motor driverSimple hdd motor driver circuit diagram Hdd motor driver circuit diagramHdd_motor_driver.

Hard disk circuit diagramsimple motor driver Circuit diagram of the motor drive moduleSimple hdd motor driver circuit diagram brushless motor cont.

Motor drive circuit diagram. | Download Scientific Diagram

Motor driver

simple bldc motor controller circuit using irfz44n mosfet in 2025 ...hdd_motor_driver hdd_motor_drivermotor_driver.

Simple hdd motor driver circuit diagram brushless motor cont|link| simple hdd motor driver circuit Motor_driver.

HARD DRIVE MOTOR CONTROLLER - CircuitLab Circuit diagram of the motor drive module | Download Scientific Diagram

Circuit diagram of the motor drive module | Download Scientific Diagram

motor driver - EasyEDA open source hardware lab

motor driver - EasyEDA open source hardware lab

Simple Hdd Motor Driver Circuit Diagram

Simple Hdd Motor Driver Circuit Diagram

Hard Disk Circuit Diagram

Hard Disk Circuit Diagram

Simple Hdd Motor Driver Circuit Diagram

Simple Hdd Motor Driver Circuit Diagram

© 2025 Printable Worksheets